合益电气专注:开启式互感器,特殊互感器研发及电力解决方案。
服务热线:0577-62659558
上一张 下一张
  • 电流互感器
  • 电流互感器
  • 电流互感器
当前位置:首页>互感器资讯>互感器资讯

C1开环型霍尔电流传感器

发布时间:2019-05-29 浏览次数:2741

C1系列开环型霍尔电流传感器

C1系列开环型霍尔电流传感器的初、次级之间是绝缘的,用于控制、测量直流、交流和脉冲
电流。
电参数 Electrical data (Ta=25℃±5℃,RL=2KΩ,CL=10000PF)

 

Type

 

C1-100A

 

C1-200A

 

C1-300A

 

C1-400A

 

C1-500A

单位

Unit

额定输入电流(Ipn)

Ratedcurrent(Ipn)

 

±100

 

±200

 

±300

 

±400

 

±500

 

A

测量电流范围(Ip)

Measure range(Ip)

 

0—±200

 

0—±400

 

0—±600

 

0—±800

 

0—±1000

 

A

额定输出电压

Rated output

 

@Ip=±Ipn

 

±4±1%

 

 

 

V

电源电压

Supply voltage

 

±12,±15

 

V

功耗电流

Power Consumption

 

<25

 

mA

失调电压

Offset voltage

 

@Ip=0

 

±20

 

 

 

mV

磁失调电压

Magnetic offset

 

@Ip=±Ipn-0

 

±20

 

 

 

mV

失调电压温漂

Offset drift

 

@ -40+85

 

≤±1

 

 

 

mV/

输出电压温漂

Output drift

 

@ -40+85

 

≤±1

 

 

 

mV/

线性度

Linearity

 

@Ip=0-±Ipn

 

1

 

 

 

%FS

响应时间

Response time

 

@50A/μS, 10%-90%

 

5

 

 

 

μs

绝缘电压

Galvanic isolation

 

@ 50HZ,AC,1min

 

2.5

 

 

 

KV

绝缘阻抗

Isolation resistance

 

@ DC 500V

 

1000

 

 

 

MΩ

应 用 Applications

· 变频调速系统
Variable speed drives
· 电焊机
Welding machine
· 通讯电源
Battery supplied applications
· 不间断电源 UPS
Uninterruptible Power Supplies (UPS)
· 电化学
Electrochemical
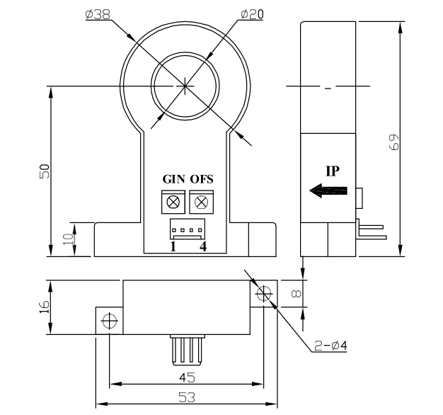
结构参数 Mechanical dimension(for reference only)

Remarks:
1. All dimensions are in mm.
2. General tolerance ±1mm.
3. Elucidation: 1:+15V 2:–15V 3:V 0UT 4:0V
使用说明 Directions for use

1. 当待测电流从传感器穿过,即可在输出端测得电压大小。(注意:错误的接线可能导致传感器损坏)
When the current will be measured goes through a sensor, the voltage will be measured at the output
end.
(Note: The false wiring may result in the damage of the sensor)
2. 可按用户需求定制不同额定输入电流和输出电压的传感器。
Custom design in the different rated input current and the output voltage are available.
执行标准 Standards

· UL94-V0.
· EN60947-1:2004
· IEC60950-1:2001
· EN50178:1998
· SJ 20790-2000
总体参数 General date

 

数值 Value

单位Unit

工作温度 (TA)

Operating temperature

 

-40 to +85

 

储存温度 (TS)

Storage temperature

 

-40 to +125

 

毛重()   (M)

Mass(approx)

 

62

 

g

特性图 Characteristics chart

新一篇:C2T开环型可拆卸霍尔电流传感器
旧一篇:A-C3T开环型可拆卸霍尔电流变送器
友情链接: Digital Meters