合益电气专注:开启式互感器,特殊互感器研发及电力解决方案。
服务热线:0577-62659558
上一张 下一张
  • 电流互感器
  • 电流互感器
  • 电流互感器
当前位置:首页>互感器资讯>公司新闻

单相电压互感器接线方式

发布时间:2018-12-05 浏览次数:726

单相电压互感器接线方式

单相电压互感器接线方式
一个单相电压互感器的接线,用于对称的三相电路,二次侧可接仪表和继电器。

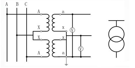
二、两个单相电压互感器互V/V型的接线方式

两个单相电压互感器接线方式
两个单相电压互感器互V/V型的接线方式
两个单相电压互感器的VN形接线,可测量线电压,但不能测相电压,它广泛应用在20kV以下中性点不接地或经消弧线图接地的电网中。


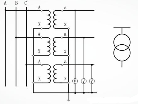
三、三个单相电压互感器Y0/Y0型的接线方式

三个单相电压互感器接线方式
三个单相电压互感器Y0/Y0型的接线方式
可供给要求测量线电压的仪表和继电器,以及要求供给相电压的绝缘监察电压表。

 

四、三个单相三绕组电压互感器或一个三相五柱式三绕组电压互感器接成Y0/Y0/0型三个单相三绕组电压互感器或一个三相五柱式三绕组电压互感器接成Y0/Y0/O
四个单相电压互感器接线方式
  
接成Y0形的二次线圈供电给仪表、继电器及绝缘监察电压表等。辅助_次线圈接成开口三角形,供电给绝缘监察电压继电器。


当三相系统正常工作时,三相电压平衡,开口三角形两端电压为零。当某-相接地时,开口角形两端出现零序电压,使绝缘监察电压继电器动作,发出信号。


用于3 ~ 220kV系统( 110kV及以上无高压熔断器) ,供接入交流电网绝缘监视仪表和继电器用。

新一篇:低压互感器常见使用型号分类
旧一篇:低压互感器hs海关编码
友情链接: Digital Meters